ETUDES PG

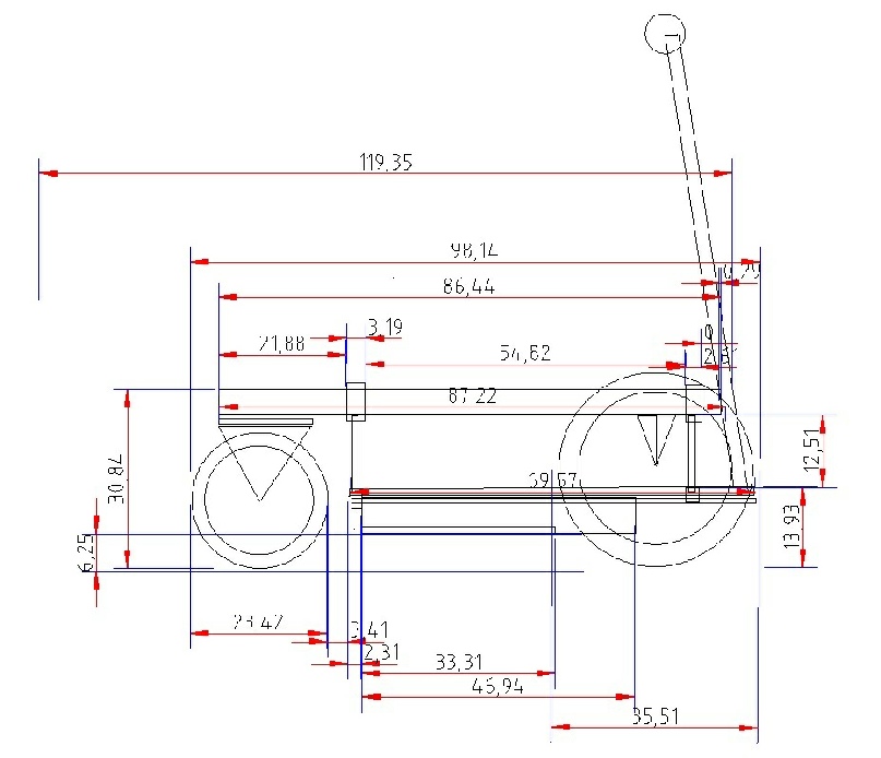
PROTOTYPE  PARAMETRABLE DANS LES 3 DIMENSIONS

VIDEOS DE PRESENTATION

E-ROSETTA 02

E-ROSETTA 03

CONCEPTION & REALISATION

 

Philippe Géraudel.

Multi-entrepreneurs.

ESSEC, Boston Consulting Group.

geraudel@hotmail.com



Du même auteur